
3WY燃油锅炉
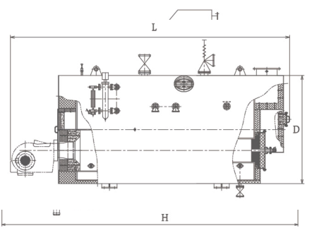
3WY卧式燃油锅炉用于某些空间较小的船舶。压力为0.7-1.25MPa,锅炉蒸发量为1t/h~4t/h ,锅炉为烟管式。
| 型号 | 压力(Mpa) | 直径(mm) | 高度(mm) | 重量(ton) |
| 3WY1-0.7 | 0.7 | 1524 | 3600 | 5.6 |
| 3WY1.2-0.7 | 0.7 | 1844 | 4250 | 6 |
| 3WY3-0.7 | 0.7 | 2120 | 5500 | 10.5 |
| 3WY4-0.7 | 0.7 | 2224 | 5800 | 14.5 |
*如果客户要求的产品不在我们的生产范围内,我公司可以根据客户的需求进行设计和制造。
平面CAD图
锅炉的尺寸(不包括保温层)。锅炉的重量不包括配件,燃烧器,耐火材料和水。蒸发量为给水温度60c/80℃时。
